ESD單級螺栓拉升器
- 品牌:???麥頓
- 型號:???ESD
- 精工制造,質量放心!
- 江蘇麥頓榮獲江蘇省優質產品榮譽稱號
- 江蘇麥頓榮獲江蘇省質量放心 用戶滿意 十佳誠信企業榮譽稱號
- 江蘇麥頓榮獲全國誠信消費信得過單位
- 江蘇麥頓榮獲優質服務放心承諾單位
- 并通過多項安全質量證書,ISO/GS/CE等證書
- 麥頓公司宗旨:品質--價值與尊嚴的起點。
產品介紹
主要用于10.9級高強螺栓。
自動快速回程機構設計,大大減輕勞動強度。
超行程紅色警戒指示線,三級安全保護,確保操作者安全。
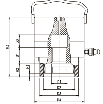
| 型號 | 螺紋D1 | 螺母對邊 | 拉伸力 | D2 | D3 | D4 | H1 | H2 | H3 |
| m m | S | KN | mm | rm | mm | mm | mm | rmm | |
| ESD 20 | 20×2.5 | 30 | 200 | 42 | 52 | 65 | 6 | 19 | 94 |
| ESD 24 | M24×3 | 36 | 290 | 49 | 60 | 78 | 8 | 22 | 102 |
| ESD 27 | M27×3 | 41 | 380 | 55 | 67 | 86 | 10 | 25 | 108 |
| ESD 30 | M30×3.5 | 46 | 460 | 61 | 74 | 97 | 12 | 27 | 106 |
| ESD 33 | M33×3.5 | 50 | 570 | 66 | 81 | 107 | 14 | 29 | 114 |
| ESD 36 | M 36×4 | 55 | 670 | 71 | 90 | 117 | 16 | 32 | 118 |
| ESD 39 | M39×4 | 60 | 800 | 77 | 96 | 127 | 18 | 34 | 125 |
| ESD 42 | M42×4.5 | 65 | 920 | 83 | 102 | 137 | 20 | 37 | 134 |
| ESD 45 | 45×4.5 | 70 | 1080 | 89 | 110 | 148 | 22 | 39 | 135 |
| ESD 48 | M48×5 | 75 | 1220 | 94 | 116 | 158 | 24 | 42 | 140 |
| ESD 52 | M52×5 | 80 | 1450 | 102 | 128 | 169 | 28 | 46 | 151 |
| ESD 56 | M 56×5.5 | 85 | 1680 | 106 | 135 | 179 | 31 | 49 | 158 |
| ESD 60 | M60×5.5 | 9o | 2010 | 114 | 142 | 199 | 34 | 52 | 167 |
| ESD 64 | M64×6 | 95 | 2210 | 120 | 151 | 211 | 37 | 55 | 172 |
| ESD68 | 68×6 | 100 | 2600 | 124 | 155 | 228 | 40 | 58 | 180 |
| ESD 72 | M72×6 | 105 | 2880 | 130 | 168 | 238 | 44 | 62 | 186 |
| ESD 76 | M76×6 | 110 | 3320 | 139 | 180 | 259 | 48 | 66 | 197 |
| ESD 80 | M80×6 | 115 | 3610 | 142 | 188 | 267 | 50 | 68 | 202 |
| ESD 9o | M90×6 | 130 | 4650 | 160 | 210 | 300 | 58 | 77 | 220 |
| ESD 100 | 100×6 | 145 | 5830 | 178 | 237 | 340 | 66 | 85 | 240 |
注:上表所示螺栓拉伸器是為拆裝高強度10.9級螺栓,并根據伸長極限0.2的90%設計的;若需要更高的拉伸力,則使用表中螺栓拉伸頭同樣螺紋尺寸鄰近的下一個較大的油缸(例如對M42來說,用ESD45來代替ESD42)?;蜻M行特殊設計。以上單級拉伸器是本公司產品中很少一部分,90%以上的拉伸器根據工況都需要專門特殊設計,我們有多年成熟的設計和現場使用經驗,為你定做適合工況的產品;詳情請與本公司聯系。
更多產品







